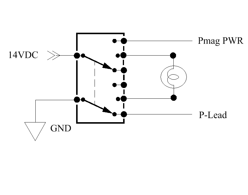
I blew way too much time (hours) trying to figure out the design for a switching circuit for my P-mags. I need to qualify that?. to design it so it will work the way I want. I?m hoping someone with more electrical smarts than me (I?) can help. Part of the problem is I?m also trying for a certain aesthetic as well as function. My design point is that each P-mag will have its own switch:
Military locking 3 positions
Up position (Fly Position) ?P? lead open & Ship?s power closed
Mid position (Mag Test) ?P? lead open & Ship?s power open
Down position (Mag Off) ?P lead Closed (grounded) & Ship?s power open
To complicate it even further I would like to add a warning light whenever the switch is in the mid (test) position to prevent me from inadvertently flying in the mid ?test? position. Does that mean I need a 3 pole triple throw?. and is there a mil type locking lever switch that will do all this?
I have the switch below which is a double pole ?On-On-On? switch which may be part of the problem.
Thanks for your feedback
