|
-
POSTING RULES

-
Donate yearly (please).
-
Advertise in here!
-
Today's Posts
|
Insert Pics
|

03-07-2012, 02:37 AM
|
 |
|
|
Join Date: Apr 2007
Location: Auckland, New Zealand
Posts: 128
|
|
Puzzled
An electrical question for the group. I have set up the system in my RV6 pretty much per the basic AeroElectric Connection Z-11. I have put in a switch and diode between the main buss and the endurance/avionics (E) buss. I also have an alternate feed with switch through a battery buss to the E buss.
I thought  it would be a good idea to use a rocker switch with a light in it to indicate when I had the alternate switch in the 'on' position. This means there is an extra wire from the switch to ground which as I understand it completes the circuit for the light.
When the main buss is isolated by turning off the master switch all works as expected when I activate the alternative battery feed switch ( without the ground wire connected). I now have power to the E buss.
My trouble starts when I hook up the ground wire to the switch for the light. Somehow there is a dead short happening that is burning out this single wire. Nothing else is getting hot, just this one wire. For testing purposes I have put in a temporary wire here with an inline fuse, but I still cannot work out what is going wrong.
I used to think I was reasonably good at figuring out basic wiring, and all the other electrical systems working fine, but I can't help feeling there is something basic that I am missing here. Any ideas anyone?
Clive Whittfield
Auckland
New Zealand
|

03-07-2012, 06:17 AM
|
 |
|
|
Join Date: Jul 2010
Location: Orlando, FL
Posts: 1,077
|
|
Clive, take a look towards the bottom of this page, where it starts: "Note:
The lighted switches in the previous diagrams were SPST models. "
http://www.bcae1.com/switches.htm
Maybe this is what you are experiencing?
__________________
Chris Smith
Maule M5-180C (Sold)
RV-6 O-360 CS (Sold)
RV-4 O-360 FP (Sold)
Full-time in the other type of RV....
|

03-07-2012, 06:28 AM
|
 |
|
|
Join Date: Jul 2010
Location: Orlando, FL
Posts: 1,077
|
|
I think this is the way you should be wiring the switch?? Substitute airframe for truck frame!!
http://www.customtacos.com/ubbthread...%20Diagram.gif
__________________
Chris Smith
Maule M5-180C (Sold)
RV-6 O-360 CS (Sold)
RV-4 O-360 FP (Sold)
Full-time in the other type of RV....
|

03-07-2012, 12:38 PM
|
 |
|
|
Join Date: Apr 2007
Location: Auckland, New Zealand
Posts: 128
|
|
Thanks Chris, your suggestion about the type of switch I am using might be on the right track.
However, on re-reading my first post it seems I didn't describe the problem as accurately as intended. Where I said When the main buss is isolated by turning off the master switch all works as expected when I activate the alternative battery feed switch (without the ground wire connected). I now have power to the E buss. I neglected to add that when the ground wire is connected in this configuration the light works OK with the switch as well. No hot wires anywhere.
I should have also added: My trouble starts when I hook up the ground wire to the switch for the light while I still have the Master switch in the 'On' position.
I know that in practice the master switch would normally be turned off when activating the alternate, however if this was forgotten or the alternate was accidently knocked 'On' I would have problems.
Perhaps just an ordinary toggle switch (no light) would be the easiest answer.
Clive
|

03-07-2012, 02:50 PM
|
 |
|
|
Join Date: Jul 2010
Location: Orlando, FL
Posts: 1,077
|
|
Any way that you could post or e-mail me a schematic so I could understand exactly how you are connecting things?
__________________
Chris Smith
Maule M5-180C (Sold)
RV-6 O-360 CS (Sold)
RV-4 O-360 FP (Sold)
Full-time in the other type of RV....
|

03-08-2012, 01:01 PM
|
 |
|
|
Join Date: Apr 2007
Location: Auckland, New Zealand
Posts: 128
|
|
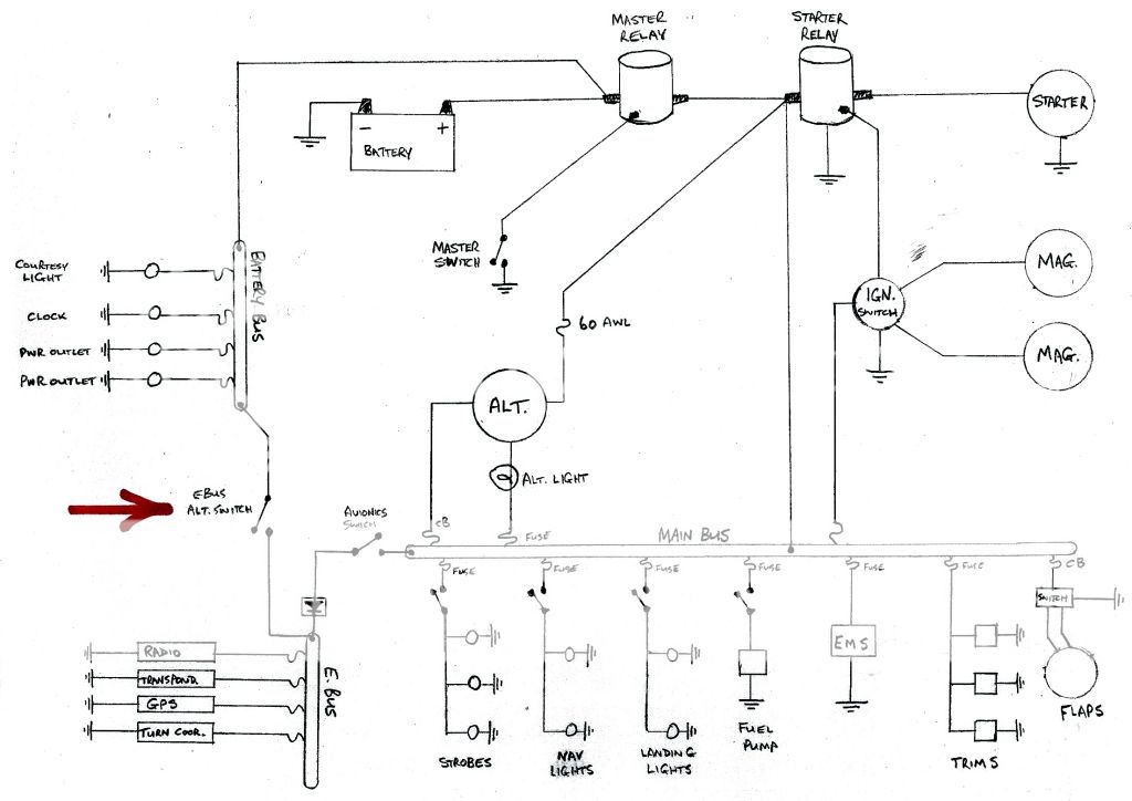
This is what I have at the moment, http://i456.photobucket.com/albums/q...ngdiagram2.jpg The red arrow indicates the switch in question and would include an additional ground wire if a lighted switch is used.
Other options I guess would be to go with a simple toggle switch with flip up switch guard, or toggle switch with a separate indicator light.
Clive
|

03-09-2012, 05:57 AM
|
 |
|
|
Join Date: Jul 2010
Location: Orlando, FL
Posts: 1,077
|
|
Without knowing the internal switch configuration, this is indeed a puzzler. What happens when the Ebus switch light ground is connected and when the Ebus switch is open and the Avionics switch is closed?
I believe that the issues is caused from providing 12 v to both sides of the switch at the same time, but without knowing the internal switch wiring, it is tough to tell exactly what is happening.
What is also strange is that you say only the ground wire gets hot, nothing else.
__________________
Chris Smith
Maule M5-180C (Sold)
RV-6 O-360 CS (Sold)
RV-4 O-360 FP (Sold)
Full-time in the other type of RV....
|

03-09-2012, 01:57 PM
|
 |
|
|
Join Date: Apr 2007
Location: Auckland, New Zealand
Posts: 128
|
|
Chris
It all happened pretty quick but I think you are right, the Avionics switch was in the on position when things went bad. A direct feed from here to ground it seems?? I'm a bit reluctant to do too much experimenting here.
I too thought it strange that the ground wire was the only one getting hot. On thinking about it I have used 14g wire from the Master relay, through the Battery bus to the Ebus. Since it was only an LED light, I used a lighter guage for the affected ground wire, so I am thinking that maybe it was just that the ground wire was getting hot first. My finger was on the switch all the time, and I shut it down as soon as I saw the first hint of heat. The damage was confined to overheated insulation but the wire itself didn't have time to fail. I guess I'm grasping at straws here but that's the only explanation I can come up with.
The more I look at it, after reviewing your first web link the more I think I am using the wrong type of switch for this application. I even dismantled it and it looks like it's set up in such a way that the light indicates the 'off' position, no ground wire required?? Seems weird but I have decided to get some advice from a local pro, and if it's all going to be too hard I might just go with a simple toggle and switch guard. Update to come.
Clive
|

03-09-2012, 04:21 PM
|
|
|
|
Join Date: Nov 2006
Location: Coffee Springs, Al
Posts: 124
|
|
puzzled....
Clive,
I have exactly the same setup as yours...except I don't have the lighted switch. The circumstance requiring you to run alternate power would be so rare that you may be overthinking the need for the indicator light switch. The only reasoning I can come up with might be to listen to ATIS etc. without turning on the main ship power. As a side note, you have electric fuel pump power on main buss. In the unlikely event you need to shut down main buss, you will lose the ability to run boost pump which may be the only thing keeping the engine running. Just a thought..YMMV Tim
__________________
Tim Pethel
Coffee Springs, Al
RV-8A SB Wings Done
Fuse done
Airworthiness cert issued.
Flying as of 08/12/12
Out of Phase 1
200 hours
|

03-09-2012, 10:48 PM
|
 |
|
|
Join Date: Apr 2007
Location: Auckland, New Zealand
Posts: 128
|
|
OK, I think I have it figured out. After studying both the website that Chris put me onto, along with the internals of the switch itself, I also had a talk to a local auto electrician.
The conclusion is that the lighted switch would work fine if it was simply turning something on or off. It seems that the way it is installed in my configuration it would also work fine provided I have the avionics or master switch in the 'off ' position. I think that with these 'on' I would now be feeding from the Ebus back to the switch and ground connection, burning up the lighter guage ground wire in the process.
Tim, you are probably right about me over thinking this. I am going to forget about the lighted switch idea and go with a simple on/off toggle. The sound of the Turn Co-ord should be enough of an alert at the end of a flight if it is accidentally bumped on.
I take your point about having the boost pump on the main bus. The idea of having an Ebus in the first place was more for the event of an alternator failure and I needed to shed electrical load, keeping only the flight critical items operating. I figured I would have to be having a really bad day if I lost both the alternator and the mechanical (engine) fuel pump at the same time.
Thanks for the input guys. I'm pretty sure I have this right but if anyone disagrees, please feel free to chime in. I'm open to any and all opinions.
Clive
|
Posting Rules
|
You may not post new threads
You may not post replies
You may not post attachments
You may not edit your posts
HTML code is Off
|
|
|
All times are GMT -6. The time now is 06:58 PM.
|