|
-
POSTING RULES

-
Donate yearly (please).
-
Advertise in here!
-
Today's Posts
|
Insert Pics
|

08-22-2016, 05:09 PM
|
|
|
|
Join Date: Jan 2005
Posts: 1,009
|
|
Help With Breaker Info - GTN650
I'm planning on installing a GTN650 in a panel updgrade for N323TP. I need to pre-position and label the required breakers in the new panel.
I'm not sure if the unit requires 2 or three breakers and the amperage rating of each. Also, how should they be labeled?
Hoping to silkscreen the labels and also have the proper hardware in place before the radio is installed.
Terry, CFI
RV9A N323TP
|

08-22-2016, 05:33 PM
|
 |
|
|
Join Date: Apr 2012
Location: Collierville, TN (KFYE)
Posts: 1,433
|
|
I allocated three of my VPX breakers to the COM, NAV and MAIN power inputs respectively. I used 3 amps for the Main, 5 amps for COM and 2 amps for the NAV. If you are using actual CBs, you might be able to fine tune those breaker values better than that as I used what the VPX provided.
__________________
RV-8 #81077 Super Slow Build
Dynon Skyview HDX, Titan IOX-370, Dual P-Mags, AFP FM200A FI, Whirlwind 200RV CS Prop
First Flight 11/20/2016
www.marksrv8.com
|

08-22-2016, 06:02 PM
|
 |
|
|
Join Date: Dec 2007
Location: Dogwood Airpark (VA42)
Posts: 2,587
|
|
With a 14vdc power system, the GTN-650 install manual calls for a 7.5 amp NAV breaker and a 10 amp COM breaker.
Carl
|

08-22-2016, 06:15 PM
|
|
|
|
Join Date: Sep 2010
Location: Airdrie AB Canada
Posts: 172
|
|
Carl is correct, and from the 650 install manual label the 10amp breaker Comm and the 7.5 nav/gps
__________________
7 empennage done
wings done
fuse done
0-360A4M Fixed pitch sensenich
Finish kit
C-GVRT Reserved
|

08-22-2016, 06:26 PM
|
 |
|
|
Join Date: May 2005
Location: X35 - Ocala, FL
Posts: 3,679
|
|
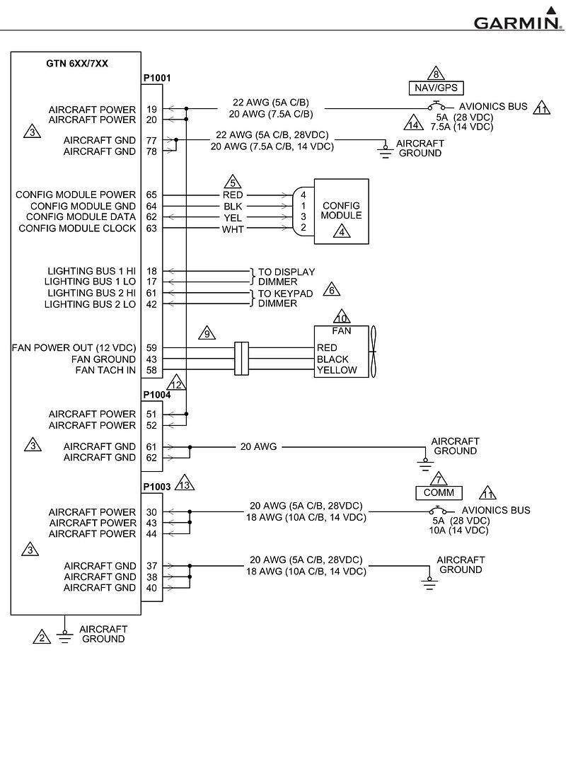
The Nav/GPS breaker powers two pins each on the Nav (P1004 pins 51 and 52) and GPS (P1001 pins 19 and 20) connector with a 7.5Amp circuit. The Com breaker powers 2 pins on the Com (P1003 pins 43 and44) connector with a 10Amp circuit.
__________________
Jesse Saint
|

08-22-2016, 06:41 PM
|
|
|
|
Join Date: Jan 2005
Posts: 1,009
|
|
Third Breaker?
Quote:
Originally Posted by Jesse
The Nav/GPS breaker powers two pins each on the Nav (P1004 pins 51 and 52) and GPS (P1001 pins 19 and 20) connector with a 7.5Amp circuit. The Com breaker powers 2 pins on the Com (P1003 pins 43 and44) connector with a 10Amp circuit.
|
Is there a main breaker as noted in by earlier poster?
|

08-22-2016, 06:59 PM
|
 |
|
|
Join Date: May 2005
Location: X35 - Ocala, FL
Posts: 3,679
|
|
No, just 2 breakers.
__________________
Jesse Saint
|

08-22-2016, 07:21 PM
|
 |
|
|
Join Date: Apr 2012
Location: Collierville, TN (KFYE)
Posts: 1,433
|
|
Perhaps I was working from an old installation manual, but 1) table 5.2.1 on page 5-2 (2012 manual) shows clearly power inputs for main, nav and com. And 2) this is the way Stein wired my harness and how I wired the radio. Since no smoke has escaped and it works fine, I'm assuming I did something right.
If you don't have the installation manual, and for some strange reason Garmin doesn't make it available online, here's the link to my copy from 2012:
http://www.marksrv8.com/docs/GTN650.pdf
__________________
RV-8 #81077 Super Slow Build
Dynon Skyview HDX, Titan IOX-370, Dual P-Mags, AFP FM200A FI, Whirlwind 200RV CS Prop
First Flight 11/20/2016
www.marksrv8.com
|

08-22-2016, 07:22 PM
|
 |
|
|
Join Date: Apr 2012
Location: Collierville, TN (KFYE)
Posts: 1,433
|
|
Quote:
Originally Posted by Jesse
The Nav/GPS breaker powers two pins each on the Nav (P1004 pins 51 and 52) and GPS (P1001 pins 19 and 20) connector with a 7.5Amp circuit. The Com breaker powers 2 pins on the Com (P1003 pins 43 and44) connector with a 10Amp circuit.
|
Don't forget the NAV receiver. It needs power too. If it's a 650, it has the VOR receiver.
EDIT: I see you're ganging up the power inputs for the main/gps and the nav under one input, and the com under the other. I chose to use three inputs
__________________
RV-8 #81077 Super Slow Build
Dynon Skyview HDX, Titan IOX-370, Dual P-Mags, AFP FM200A FI, Whirlwind 200RV CS Prop
First Flight 11/20/2016
www.marksrv8.com
Last edited by Mark Dickens : 08-22-2016 at 07:25 PM.
|

08-22-2016, 08:22 PM
|
 |
|
|
Join Date: May 2005
Location: X35 - Ocala, FL
Posts: 3,679
|
|
Figure E-4 from Recision 4 of the installation manual is below. I forgot pin 30 as a third power pin on the COM connector.

__________________
Jesse Saint
|
Posting Rules
|
You may not post new threads
You may not post replies
You may not post attachments
You may not edit your posts
HTML code is Off
|
|
|
All times are GMT -6. The time now is 11:56 PM.
|