VansAirForceForums  
Home > VansAirForceForums

- POSTING RULES
- Donate yearly (please).
- Advertise in here!

- Today's Posts | Insert Pics


Go Back   VAF Forums > Main > RV General Discussion/News
Register FAQ Members List Calendar Today's Posts

Reply
 
Thread Tools Search this Thread Display Modes
  #1  
Old 09-25-2014, 08:55 AM
Pat Hatch's Avatar
Pat Hatch Pat Hatch is offline
 
Join Date: Jun 2006
Location: Vero Beach, FL
Posts: 880
Default Whelen LED Strobe/Nav Lights Upgrade

So I finally bit the bullet and sprang for the new Whelen wingtip/tail LED light kit sold by Mike Stewart. I got the one that goes under cover. Here's what I had before:



The most difficult part was pulling the old Whelen power supply out of its location in the baggage floor:



...and rewiring it thus:



I got rid of about 2 pounds by removing the old power supply. Not to mention the much greater current draw with the old system. I was able to use the original 3-conductor cabling from Whelen although Mike sells the new lightweight 4-conductor cable if you can pull your old wires out. For me it was just easier to use what was already there. I did have to change from the Whelen connectors to some 4-pin Molex connectors that I had on hand. Here's the old:





For the tail, I had to convert to the 4-pin Molex connector as well. This one worked well:



I also had to take a Dremel sanding drum and open up the hole just a little to accommodate the larger tail strobe/nav light. The old mounting screw holes matched up perfectly with the new unit:



On the wings I used a similar Molex 4-pin connector that I happened to have on hand:



Existing holes in the wing matched up perfectly with the new units as well. You can pretty much do the whole job in a day, but I split it up into several shorter sessions while waiting for the new lights to arrive. Here's everything put back together:



So last night I went for a trial flight at sunset and flew by my buddy Dave von Linsowe's house on a nearby airpark. He filmed my fly-by. I should have turned the wig-wag's off, but you can get the idea from the video (thanks, Dave!):

http://youtu.be/7jXyDBMNk-w

I'm very pleased with the upgrade; Mike Stewart makes it very painless (except for the cash I dropped). Yes, going LED is expensive, but I think it's worth every penny in the long run.
__________________
Pat Hatch
RV-4 (Gone to RV heaven)
RV-6 (N44PH - Flying)
RV-7 (Sold)
RV-8 (Builder & Avionics Installer)
www.phaviation.com Trim Relay Boards/Flap Actuators
www.pathatch.com/blog (Photography)
Track Me

Last edited by Pat Hatch : 09-25-2014 at 09:31 AM. Reason: typos, spelling
Reply With Quote
  #2  
Old 09-25-2014, 09:28 AM
AndyRV7's Avatar
AndyRV7 AndyRV7 is offline
 
Join Date: Sep 2007
Location: Hudson County, NJ
Posts: 1,092
Default

Sure looks nice. Lit and otherwise!
Reply With Quote
  #3  
Old 09-25-2014, 09:35 AM
Jerry Fischer's Avatar
Jerry Fischer Jerry Fischer is offline
 
Join Date: May 2007
Location: Winder Ga
Posts: 914
Default Slick

Excellent explanation Pat. The workmanship was benchmark quality. Mike does a great job with his instructions also.
__________________
Jerry Fischer KW4F
VAF# 1646
USS Randolph CVS-15 V-6 Div. AT2
RV7 N364SJ Miss Sandy sold
RV1 N1583 "Mockingbird 1" SOLD
EAA volunteer SNF

HBC volunteer/co-chairman OSH
Tech counselor
Reply With Quote
  #4  
Old 09-26-2014, 06:43 AM
Kahuna's Avatar
Kahuna Kahuna is offline
 
Join Date: Dec 2004
Location: Gold Hill, NC25
Posts: 2,399
Default

Great post Pat. Now about those high draw, high heat, blow prone quartz landing lights Got some drop in PAR 36 LED replacements right here for you. Thanks for your business!!
__________________
Kahuna
6A, S8 ,
Gold Hill, NC25
Reply With Quote
  #5  
Old 09-26-2014, 07:16 AM
Rick_A's Avatar
Rick_A Rick_A is offline
 
Join Date: Oct 2005
Location: Highland Village, TX
Posts: 1,519
Thumbs up Very nice

I think this upgrade just moved up a few notches on my must have list.

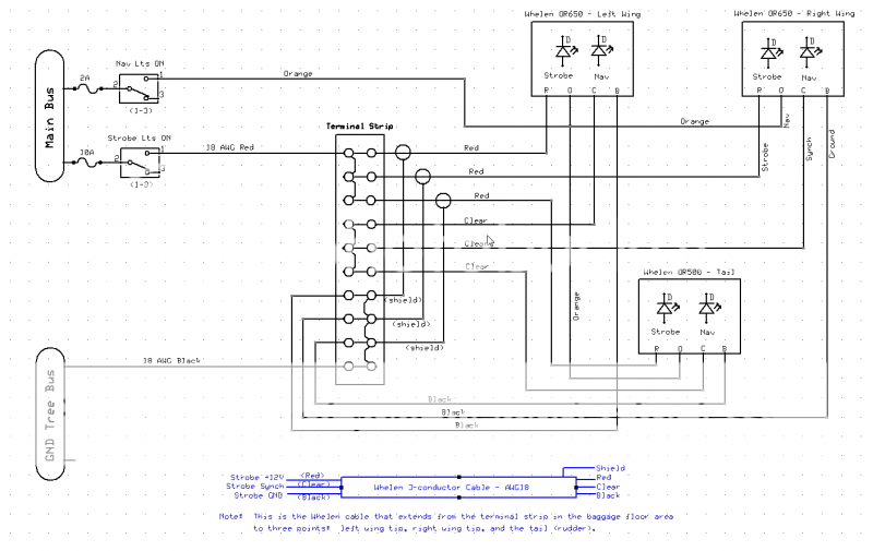
I like the way you did the jumper block to replace the old power supply. Do you happen to have of schematic of the electrical connections or a picture of the jumper block that clearly shows the labels?
__________________
Rick Aronow,
A&P
Flying 7A Slider;
RV-12 SOLD
Highland Village,TX
Reply With Quote
  #6  
Old 09-26-2014, 08:13 AM
Pat Hatch's Avatar
Pat Hatch Pat Hatch is offline
 
Join Date: Jun 2006
Location: Vero Beach, FL
Posts: 880
Default

Quote:
Originally Posted by Kahuna View Post
Great post Pat. Now about those high draw, high heat, blow prone quartz landing lights Got some drop in PAR 36 LED replacements right here for you. Thanks for your business!!
Yeah, Mike, I got my eye on those suckers. I'm waiting for your two-for-the-price-of-one sale!
__________________
Pat Hatch
RV-4 (Gone to RV heaven)
RV-6 (N44PH - Flying)
RV-7 (Sold)
RV-8 (Builder & Avionics Installer)
www.phaviation.com Trim Relay Boards/Flap Actuators
www.pathatch.com/blog (Photography)
Track Me
Reply With Quote
  #7  
Old 09-26-2014, 08:30 AM
Pat Hatch's Avatar
Pat Hatch Pat Hatch is offline
 
Join Date: Jun 2006
Location: Vero Beach, FL
Posts: 880
Default

Quote:
Originally Posted by Rick_A View Post
I think this upgrade just moved up a few notches on my must have list.

I like the way you did the jumper block to replace the old power supply. Do you happen to have of schematic of the electrical connections or a picture of the jumper block that clearly shows the labels?
Rick,

Here's the schematic. Not sure how well it's going to show up as a .PNG file, but if you like, send me your email and I'll send you the file. It's an ExpressPCB file, if you happen to use that CAD program. Or I can send it to you as a PDF.



Here's a closer photo as well:



Click on the images and they will get quite large for you.

Also, let me add that the original Whelen cable is shielded. I don't think you really need shielded any more with LED lights, but it can't hurt so I went ahead and grounded the shields at the terminal block just for grins. Most people won't need to do that.
__________________
Pat Hatch
RV-4 (Gone to RV heaven)
RV-6 (N44PH - Flying)
RV-7 (Sold)
RV-8 (Builder & Avionics Installer)
www.phaviation.com Trim Relay Boards/Flap Actuators
www.pathatch.com/blog (Photography)
Track Me
Reply With Quote
  #8  
Old 09-26-2014, 12:56 PM
bkthomps bkthomps is offline
 
Join Date: Jan 2010
Location: Destin
Posts: 1,543
Default

Mike, what's the pricing and how can we get them? I'd like to install these next week, I need to get rid of my old whelen strobe box
Reply With Quote
  #9  
Old 09-26-2014, 04:05 PM
Rick_A's Avatar
Rick_A Rick_A is offline
 
Join Date: Oct 2005
Location: Highland Village, TX
Posts: 1,519
Default Thanks

Thanks Pat, I was able to print them at 125% and they look great.

Now all I have to do check my bank account and call Kahuna
__________________
Rick Aronow,
A&P
Flying 7A Slider;
RV-12 SOLD
Highland Village,TX
Reply With Quote
  #10  
Old 09-26-2014, 05:00 PM
Kahuna's Avatar
Kahuna Kahuna is offline
 
Join Date: Dec 2004
Location: Gold Hill, NC25
Posts: 2,399
Default

Quote:
Originally Posted by bkthomps View Post
Mike, what's the pricing and how can we get them? I'd like to install these next week, I need to get rid of my old whelen strobe box
Brian,
All of our products are available off the Products link off our web page. Link in my signature for lights as well. Holler if you have any questions.
__________________
Kahuna
6A, S8 ,
Gold Hill, NC25
Reply With Quote
Reply



Posting Rules
You may not post new threads
You may not post replies
You may not post attachments
You may not edit your posts

vB code is On
Smilies are On
[IMG] code is On
HTML code is Off
Forum Jump


All times are GMT -6. The time now is 02:41 AM.


The VAFForums come to you courtesy Delta Romeo, LLC. By viewing and participating in them you agree to build your plane using standardized methods and practices and to fly it safely and in accordance with the laws governing the country you are located in.