|
-
POSTING RULES

-
Donate yearly (please).
-
Advertise in here!
-
Today's Posts
|
Insert Pics
|

04-30-2013, 12:24 PM
|
|
|
|
Join Date: Oct 2005
Location: San Antonio, TX
Posts: 281
|
|
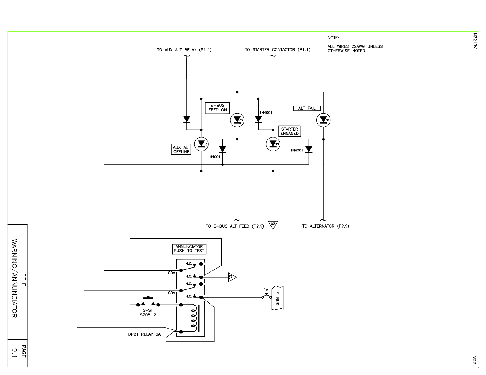
Request to Review LED Push-to-test Circuit...
Would you guys mind looking at the attached circuit for providing push to test functionality to a handful of Annunciator LED's (12v) and let me know if it is okay I need some peer review... thanks.
http://www.mattandmel.com/pictures/PTT_Circuit.png
Last edited by DeltaRomeo : 05-01-2013 at 05:38 AM.
Reason: Changed large embedded image to link to image (so text would wrap right)
|

04-30-2013, 02:27 PM
|
 |
|
|
Join Date: May 2006
Location: Ankeny, Iowa
Posts: 434
|
|
Depending on type of LED devices you use, if they don?t have built in current limiting resistors you will need to add them externally. Size varies according to LED voltage and current but 1k resistors should be ok. Also, the line coming in from the Aux Alt Relay should probably go to the LED rather than the 4001 diode, should probably be like the Starter Contactor circuit.
__________________
Joe Condon
Ankeny, Iowa
RV9A - 647JC - 300 hrs - SOLD 6/23/15 
OneX - Under Construction - For Sale
|

04-30-2013, 02:34 PM
|
 |
|
|
Join Date: Jul 2005
Posts: 1,341
|
|
Other than the previously mentioned current limiting resistors on the LEDs (if not integrated into the indicators), I'd also add a diode across the relay coil.
__________________
Mike W
Venice, FL
RV-6A. Mattituck TMX O-360, FP, GRT Sport EFIS, L3 Lynx NGT-9000
N164WM
N184WM reserved (RV-8)....finishing kit in progress. Titan IOX-370
|

04-30-2013, 02:37 PM
|
|
|
|
Join Date: Oct 2005
Location: San Antonio, TX
Posts: 281
|
|
Thanks Joe,
The Aux alt relay going to the diode was a mistake, it should look like the starter contactor circuit. Also, all LED's have internal current limiting resistors.
What is your opinion on using a relay? I know they are more likely to fail then the LED. I am just trying to avoid spending lots of money on an annunciator controller for a handful of LED lights that are directly switched from power or ground. (All other sensor based annunciators are controlled by my EFIS).
Also, do you think I should put diodes on the line coming in from the input or is it not necessary?
Thanks.
- Matt
|

04-30-2013, 02:41 PM
|
 |
|
|
Join Date: Sep 2012
Location: Omaha, NE (KMLE)
Posts: 2,246
|
|
Personally, I detest relays. You could use a DPDT momentary pushbutton or toggle switch and remove one more potential point of failure (plus a little wiring, time and expense).
__________________
Dale
Omaha, NE
RV-12 # 222 N980KM "Screamin' Canary" (bought flying)
Fisher Celebrity (under construction)
Previous RV-7 project (sold)
|

04-30-2013, 02:48 PM
|
 |
|
|
Join Date: May 2006
Location: Ankeny, Iowa
Posts: 434
|
|
If you used a DPST pushbutton switch you could avoid the relay altogether. Otherwise a good quality low current sealed unit should be fine. If it failed, you would probably have at least two of the annunciator LEDs fail the lamp test so you would probably suspect something out of the ordinary. The failure mode of the relay (unless really weird) should not provide a condition that would hide a failure in your annunciator.
I don’t think you need diodes in the input lines. [Correction - Yes, as pointed out by 'roee' you should have diodes on the input lines also!]
__________________
Joe Condon
Ankeny, Iowa
RV9A - 647JC - 300 hrs - SOLD 6/23/15 
OneX - Under Construction - For Sale
Last edited by 647jc : 04-30-2013 at 04:36 PM.
|

04-30-2013, 02:52 PM
|
|
|
|
Join Date: Oct 2005
Location: San Antonio, TX
Posts: 281
|
|
I like the DPDT Momentary button solution much better. I will remove the relay and add that. Is the symbol for a DPDT momentary button the same as for a DPDT momentary switch?
|

04-30-2013, 03:06 PM
|
 |
|
|
Join Date: Sep 2012
Location: Omaha, NE (KMLE)
Posts: 2,246
|
|
Quote:
Originally Posted by idleup
Is the symbol for a DPDT momentary button the same as for a DPDT momentary switch?
|
There are different symbols for pushbutton and toggle switches, but the function is the same. The DPDT toggle is similar to the top part of the relay. I can dig up an example of a pusbutton if you need it. If you can't find the right one I wouldn't sweat it -- just note on the diagram that it's a pushbutton or toggle.
Now having said that with zero experience with aircraft wiring diagrams, I'll probably find out it's a huge no-no.  I have had a little experience with schematics, just usually not automotive or aeronautical.
__________________
Dale
Omaha, NE
RV-12 # 222 N980KM "Screamin' Canary" (bought flying)
Fisher Celebrity (under construction)
Previous RV-7 project (sold)
|

04-30-2013, 03:08 PM
|
 |
|
|
Join Date: May 2006
Location: Ankeny, Iowa
Posts: 434
|
|
You really don't need a DPDT, a DPST will be fine, less expensive and easier to find.
__________________
Joe Condon
Ankeny, Iowa
RV9A - 647JC - 300 hrs - SOLD 6/23/15 
OneX - Under Construction - For Sale
|

04-30-2013, 04:23 PM
|
|
|
|
Join Date: Feb 2006
Location: San Diego, CA, U.S.A.
Posts: 770
|
|
Also...
To do this right, for each LED circuit you need a pair of diodes, not just one, to "diode OR" the push-to-test circuit in with the other driving circuit. Otherwise, you have some undesired current paths, which could have some interesting consequences depending on the characteristics of the driving circuits that aren't shown on this schematic. For example, as drawn, your push-to-test circuit will attempt to power the starter contactor. Not good.
|
Posting Rules
|
You may not post new threads
You may not post replies
You may not post attachments
You may not edit your posts
HTML code is Off
|
|
|
All times are GMT -6. The time now is 04:06 PM.
|